Fantic XEF 250 4T Trail Enduro 2021-22
In dieser Shopkategorie bei fanticracing.de finden Sie alle originale Fantic Ersatzteile für das Modell Fantic XEF 250 Enduro Trail mit Euro 5 und Baujahr 2021-22.
Die Auswahl der original Ersatzteile erfolgt über Explosionszeichnungen von jeder Baugruppe der Fantic.
Mit den Hot-Spots in den Teilezeichnungen können Sie die gewünschten Ersatzteile für Ihre Fantic schnell und einfach ausgewählt und bestellt werden.
Original Zubehörteile für die Fantic XEF 250 Enduro Trail finden sie unter der Kategorie "Fantic Zubehör".
Hinweis:
Achten Sie auf die Farbauswahl der Verkleidungsteile und der richtige Motorradseite mancher Bauteile.
Ersatzteil Wahl:
Rahmen
Schwinge
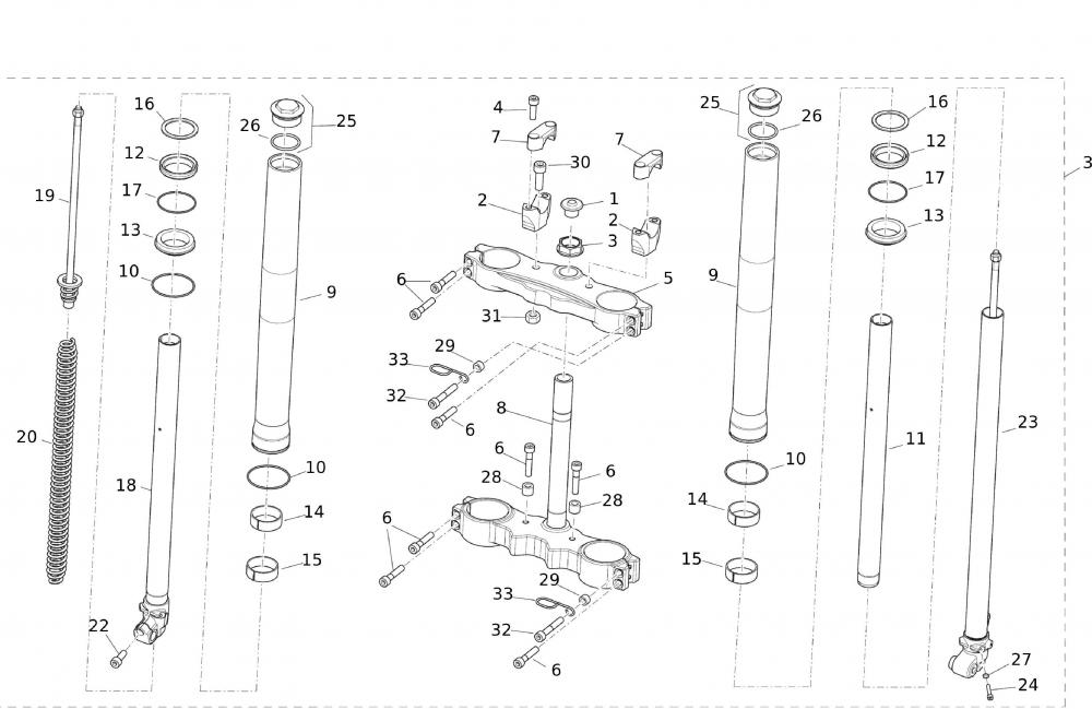
Gabel Competition
Vorderrad
Hinterrad
Kühlsystem
Kraftstofftank
Motor - Luftfilterkasten
Auspuff
Lenker - Bedienelement
Vordere Kunststoffteile
Hintere Kunststoffteile
Kabelbaum
Aufkleber
Zylinderkopf
Zylinder
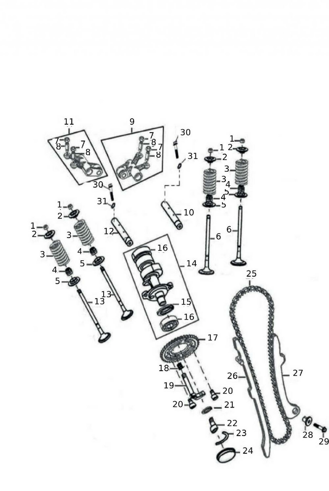
Ventilsteuerung
Motordeckel rechts
Motordeckel links
Kupplung
Oelpumpe
Motorgehäuse links
Motorgehäuse rechts
Kurbelwelle
Getriebe
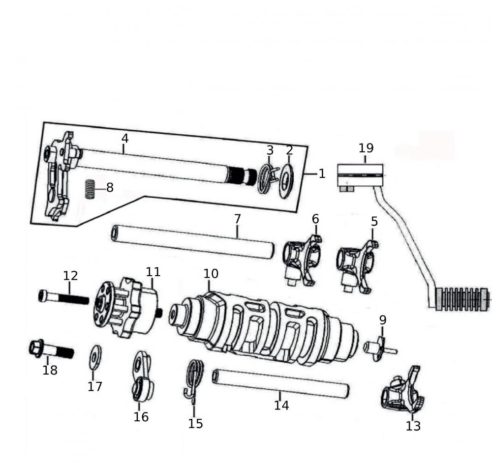
Schaltwalze
Lichtmaschine
Anlasser