Fantic XE 125 2T Hard Enduro 2025
In dieser Shopkategorie bei fanticracing.de finden Sie alle originale Fantic Ersatzteile für das Modell Fantic XE 125 2T Hard Enduro mit Baujahr 2025.
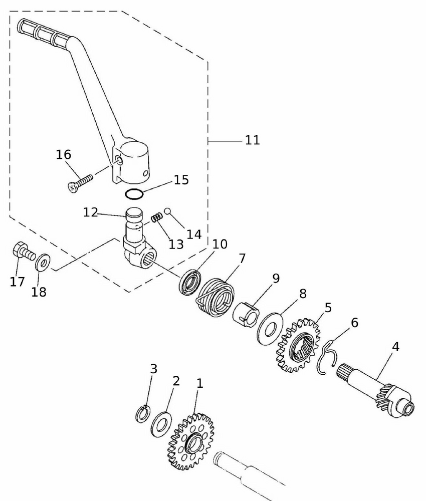
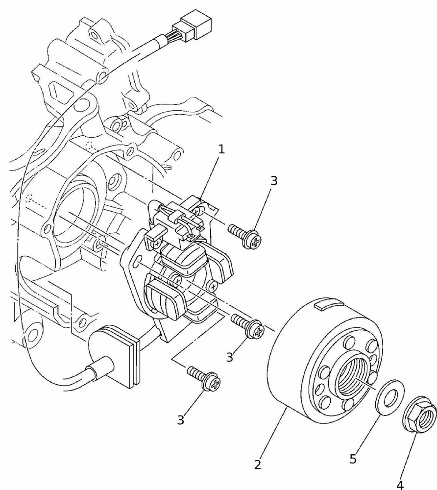
Die Auswahl der original Ersatzteile erfolgt über Explosionszeichnungen von jeder Baugruppe der Fantic.
Mit den Hot-Spots in den Teilezeichnungen können Sie die gewünschten Ersatzteile für Ihre Fantic schnell und einfach ausgewählt und bestellt werden.
Original Zubehörteile für die Fantic XE 125 Hard Enduro finden sie unter der Kategorie "Fantic Zubehör".
Hinweis:
Achten Sie auf die Farbauswahl der Verkleidungsteile und der richtige Motorradseite mancher Bauteile.































