RZR 4 800 EFI EPS INTL
Ersatzteil Wahl:
Fehler
Fantic TL 250 2016_2017 Casa
Fantic TL 250 2016_2017 Competition
Fantic TL 250 2019
RZR 800 EFI
RZR S 800 EFI
RZR S 800 EFI INTL
RZR 170
RZR XP 900 EFI INTL
RZR 4 800 EFI EPS INTL
RZR "S" 800 EFI
RZR XP 900 EFI
RZR 570 EFI
RZR 4 XP 900
RZR 170
RZR 570 EFI INTL
RZR 4 800 EFI
RZR 800 EFI /EPS
RZR "S" 800 EFI INTL
RZR XP TURBO (R13)
RZR XP 1000 (R11)
RZR XP TURBO MD (R05)
RZR XP 1000 EU/MD (R08)
RZR 4 900 (R09)
RZR 900 60 INCH PS, EU (R08)
RZR 1000 60 INCH ALL (R09)
RZR 900 50/55
RZR 170 (R05)
RZR 570 EU (R06)
RZR XP 4 TURBO (R11)
RZR XP 4 1000 (R14)
RZR 570 (R05)
RZR 900 60 INCH ALL Option (R12)
RZR 4 800 EFI
RZR 800 EFI
RZR "S" 800 EFI INTL
RZR "S" 800 EFI
RZR 170
RZR "S" EPS INTL
RZR 4 EPS RGE
RZR 4 INTL
RZR XP 900
RZR 800 EFI /EPS
RZR "S" 800 EFI
RZR 170
RZR 4 XP 900 EFI
RZR "S" 800 EFI INTL
RZR 570 EFI INTL
RZR 170
RZR 4 XP 900 PS INTL
RZR 4 XP JAGGED X
RZR 4 800 EFI
RZR "S" 800 EFI
RZR 800 EFI
RZR 570 EFI
RZR XP 900 EFI
RZR XP 900 EPS INTL
RZR 900 INTL
RZR 170
RZR 800
RZR 4 900
RZR 4 900 INTL
RZR "S" 800 INTL EFI
RZR "S" 800
RZR XP 1000
RZR 900
RZR XP 1000 INTL
RZR 570
RZR 4 800
RZR XP 4 1000 /PS
RZR 900 60 Inch EU /Tractor
RZR 170 (R09)
RZR 570 EU (R04)
RZR XP Turbo
RZR 900 60 Inch MD
RZR XP 1000 (R14)
RZR XP 4 1000
RZR 900 50 Inch MD (R06)
RZR 4 900
RZR 900 60 Inch All Options (R10)
RZR XP 4 1000 MD
RZR 570 (R06)
RZR S 1000 60 Inch PS
RZR 570 S (R04)
RZR XP 1000 Tractor/ EU/ Zug
RZR XP 1000 MD
RZR 900 50/55 Inch All Options (R06)
RZR 900 60 INCH
Ranger 2x4 4x4 6x6
Ranger 1000 Diesel
ACE 570 EFI MD
ACE 900 EFI EPS
ACE 325 EFI
ACE 570 EFI Euro
ACE 570 EFI HD
ACE 570 EFI
ACE 570 SP
ACE 570 EFI
ACE 570 EFI Euro
ACE 570 HD EFI
ACE 500 SOHC
ACE 900 EPS XC
ACE 325 HD
ACE 325 Euro
ACE 570 Euro
ACE 325 EFI
ACE 570 HD
ACE 570 EFI
General 1000 EPS
General 1000 4P MD
General 1000 4P PS
General 1000 EPS
General 1000 PS MD
Scrambler 500 4x4
Scrambler 500 4X4 Intl
Scrambler 500 4X4 Intl
Scrambler XP 1000
Scrambler 1000 Tractor
Scrambler 1000 MD
Scrambler 850
Scrambler 500 4X4 Intl
Scrambler 500 4x4 Intl
Scrambler 500 4x4 Intl
Scrambler 90
Scrambler 500 4x4
Scrambler 50
Scrambler 400 4x4
Scrambler 500 4x4 Freedom
Scrambler 90
Scrambler 500 4x4
Scrambler 50
Scrambler 500 2x4
Scrambler 400 2x4
850 Scrambler HO/EPS HO
850 Scrambler HO EPS INTL
Scrambler 1000 XP HO EPS INTL
Scrambler 850 XP HO/EPS
Scrambler XP 1000 HO EPS
Scrambler XP 850 HO EPS INTL
Scrambler 1000 XP Zug
Scrambler XP 1000
Scrambler 850
Scrambler 1000 Tractor
Scrambler 1000 EU
Scrambler 1000 MD
Scrambler 500 4X4
Scrambler 500 4X4 Intl
Scrambler XP 1000 EU
Scrambler XP 1000
Scrambler 1000 MD
Scrambler 850 MD
Scrambler 850 EU
Scrambler 850
Scrambler 500 2x4
Scrambler 500 4x4
Scrambler 90
Scrambler 400 2x4
Scrambler 50
Sportsman 400
Sportsman 500
Sportsman 90
Sportsman 400
Sportsman 700
Sportsman 700
Sportsman 600
Sportsman 500
Sportsman 700
Sportsman 600
Sportsman 6x6
Sportsman 400
Sportsman 500 HO
Sportsman 90
Sportsman 600
Sportsman 6x6
Sportsman 700
Sportsman 800 EFI
Sportsman 700
Sportsman 500 HO / INTL
Sportsman 600
Sportsman 400
Sportsman 700 EFI
Sportsman 700
Sportsman 90
Sportsman 400
Sportsman 500 All Options
Sportsman 6x6
Sportsman 500 HO
Sportsman 500 Duse HO
Sportsman 500 Duse
Sportsman 400
Sportsman 500 RSE HO
Sportsman 6x6
Sportsman 90
Sportsman 400 HO 4X4
Sportsman XP 550
Sportsman X2 800 EFI
Sportsman XP 850 Intl
Sportsman 800 HO EFI
Sportsman 800 EFI 6X6
Sportsman X2 500 EFI
Sportsman 500 EFI
Sportsman XP 550 INTL
Sportsman Touring 800 EFI Intl
Sportsman 500 HO
Sportsman XP EPS 850 INTL
Sportsman 450
Sportsman 800 EFI Intl
Sportsman 700 EFI Intl
Sportsman X2 800 EFI
Sportsman 500 EFI Intl
Sportsman Touring EPS 550
Sportsman 800 EFI 6x6
Sportsman 300 4x4
Sportsman 800 EFI
Sportsman Touring 500 HO Intl
Sportsman 500 HO Intl
Sportsman XP 550
Sportsman EPS 550 Intl
Sportsman 90
Sportsman X2 550
Sportsman Touring EPS 850
Sportsman 400 HO 4x4
Sportsman XP 850
Sportsman XP EPS 850 Intl
Sportsman 450
Sportsman 800 EFI
Sportsman 500 EFI INTL
Sportsman 700 EFI
Sportsman 700
Sportsman 500 HO INTL
Sportsman 400 HO 4X4
Sportsman Touring 800 EFI Intl
Sportsman X2 800 EFI LE
Sportsman X2 700 EFI
Sportsman 500 HO
Sportsman 800 HO EFI
Sportsman 500 HO EFI
Sportsman 6X6
TGB
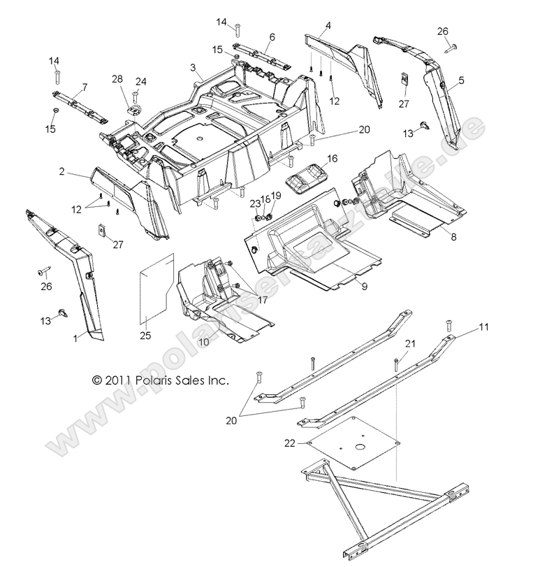
CHASSIS, MAIN FRAME and SKID PLATE
CHASSIS, CAB FRAME and SIDE BARS
ENGINE, OIL PUMP and WATER PUMP
BRAKES, REAR CALIPER
ENGINE, FUEL INJECTOR
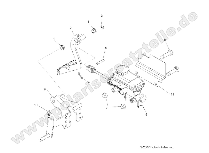
BRAKES, PEDAL and MASTER CYLINDER
ENGINE, EXHAUST SYSTEM
BRAKES, FRONT CALIPER
ENGINE, DIPSTICK and OIL FILTER
BRAKES, CALIPER MOUNTINGBRAKES, CALIPER MOUNTING
ENGINE, CYLINDER HEAD and VALVES
BRAKES, BRAKE LINES and MASTER CYLINDER
ENGINE, CRANKCASE and CRANKSHAFT
BODY, SIDE NETS
ENGINE, COOLING SYSTEM
BODY, SEAT MOUNTING and BELTS
ENGINE, AIR INTAKE SYSTEM
BODY, SEAT ASM.
ELECTRICAL, WIRE HARNESS
ELECTRICAL, TURN SIGNALS, HORN and MIRRORS
BODY, REAR RACK and FENDERS
BODY, REAR BUMPER
ELECTRICAL, SENSORS
BODY, HOOD and FRONT BODY WORK
ELECTRICAL, IGNITION
BODY, GRAB BAR, PASSENGER
ELECTRICAL, HEADLIGHTS, TAILLIGHTS and BULBS
BODY, GLOVEBOX
WHEELS, REAR
ELECTRICAL, DASH INSTRUMENTS and CONTROLS
BODY, FUEL TANK
WHEELS, FRONT
ELECTRICAL, BATTERY
BODY, FRONT BUMPER
SUSPENSION, STABILIZER BAR, REAR
BODY, FLOOR and ROCKER PANELS
DRIVE TRAIN, SECONDARY CLUTCH
SUSPENSION, STABILIZER BAR, FRONT
BODY, DECALS
DRIVE TRAIN, REAR HALF SHAFT, RH
SUSPENSION, REAR SHOCK MOUNTING
DRIVE TRAIN, REAR HALF SHAFT
SUSPENSION, REAR SHOCK
DRIVE TRAIN, PRIMARY CLUTCH
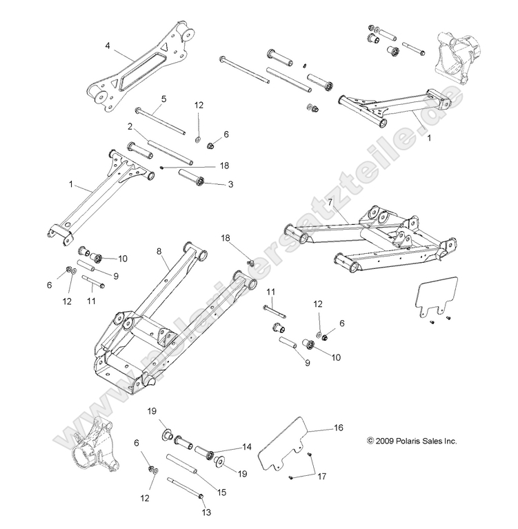
SUSPENSION, REAR CONTROL ARMS
DRIVE TRAIN, MAIN GEARCASE INTERNAL COMPONENTS 2
SUSPENSION, FRONT SHOCK MOUNTING
SUSPENSION, FRONT SHOCK
DRIVE TRAIN, MAIN GEARCASE INTERNAL COMPONENTS 1
DRIVE TRAIN, GEARCASE, DIFFERENTIAL, INTERNAL COMPONENTS
SUSPENSION, FRONT CONTROL ARMS
DRIVE TRAIN, GEARCASE, DIFFERENTIAL MOUNTING
STEERING, STEERING ASM.
DRIVE TRAIN, GEAR SELECTOR
REFERENCES, TOOL KIT and OWNERS MANUALS
DRIVE TRAIN, FRONT PROP SHAFT
ENGINE, TRANSMISSION MOUNTING
DRIVE TRAIN, FRONT HALF SHAFT
ENGINE, THROTTLE PEDAL
DRIVE TRAIN, FRONT GEARCASE INTERNALS 1333104
ENGINE, THROTTLE BODY and VALVE COVER
DRIVE TRAIN, FRONT GEARCASE INTERNALS 1332842
ENGINE, THERMOSTAT
DRIVE TRAIN, FRONT GEARCASE
ENGINE, STATOR and FLYWHEEL
DRIVE TRAIN, CLUTCH COVER and DUCTING
ENGINE, STARTING MOTOR
ENGINE, PISTON and CYLINDER