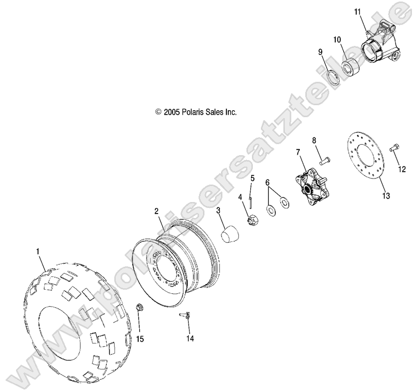
Sportsman 700